异形景观树池花池不锈钢板种植池剖面大样做法节点详图CAD施工图

异形景观树池花池不锈钢板种植池剖面大样做法节点详图CAD施工图-大怪兽分享
异形景观树池花池不锈钢板种植池剖面大样做法节点详图CAD施工图
此内容为付费资源,请付费后查看
R5
立即购买
您当前未登录!建议登陆后购买,可保存购买订单
付费资源
已售 179
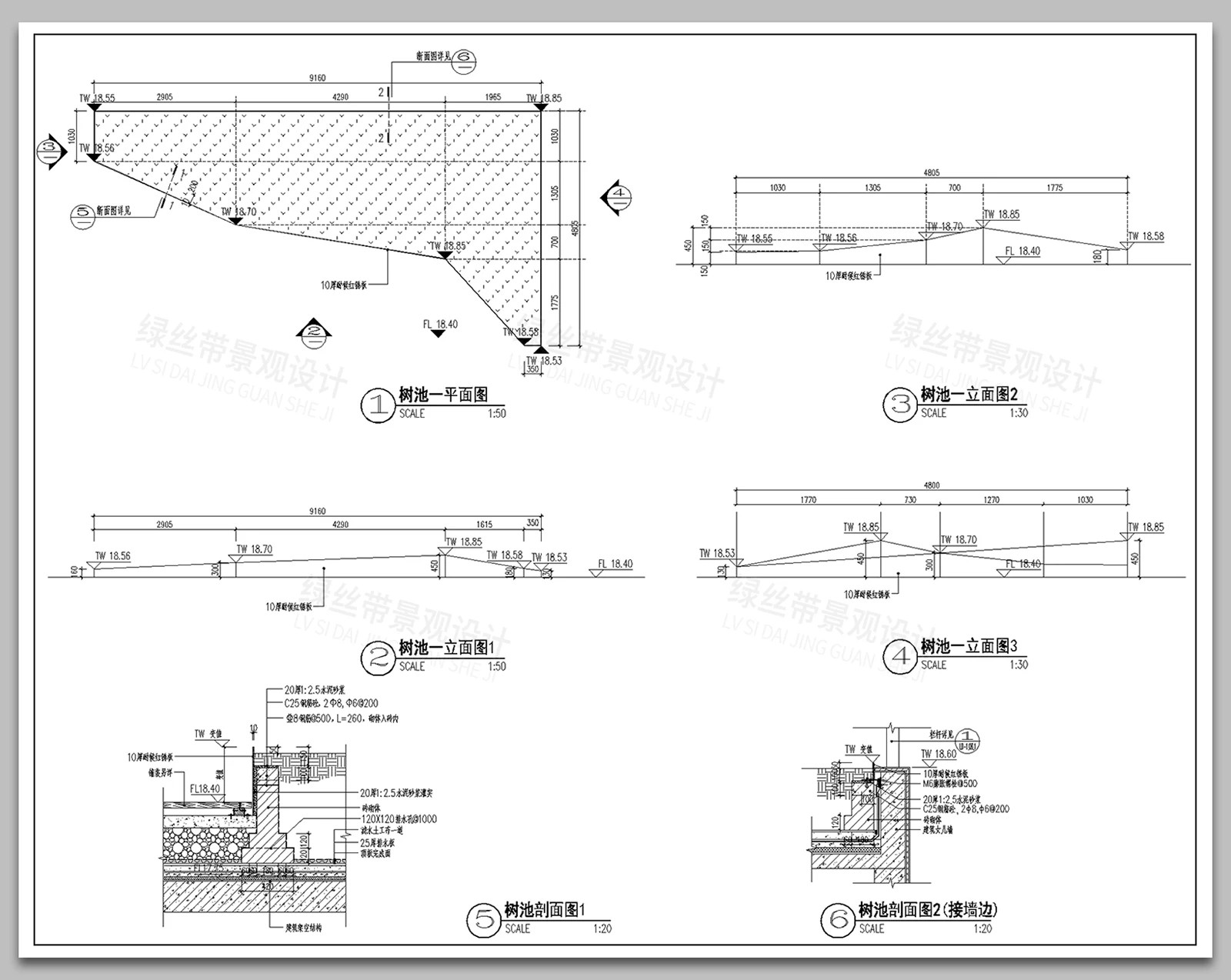
图片[1]-异形景观树池花池不锈钢板种植池剖面大样做法节点详图CAD施工图-大怪兽分享
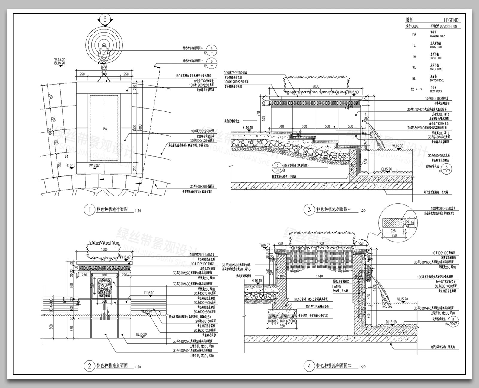
图片[2]-异形景观树池花池不锈钢板种植池剖面大样做法节点详图CAD施工图-大怪兽分享
© 版权声明
THE END
喜欢就支持一下吧
点赞5 分享
评论 抢沙发

请登录后发表评论

    暂无评论内容